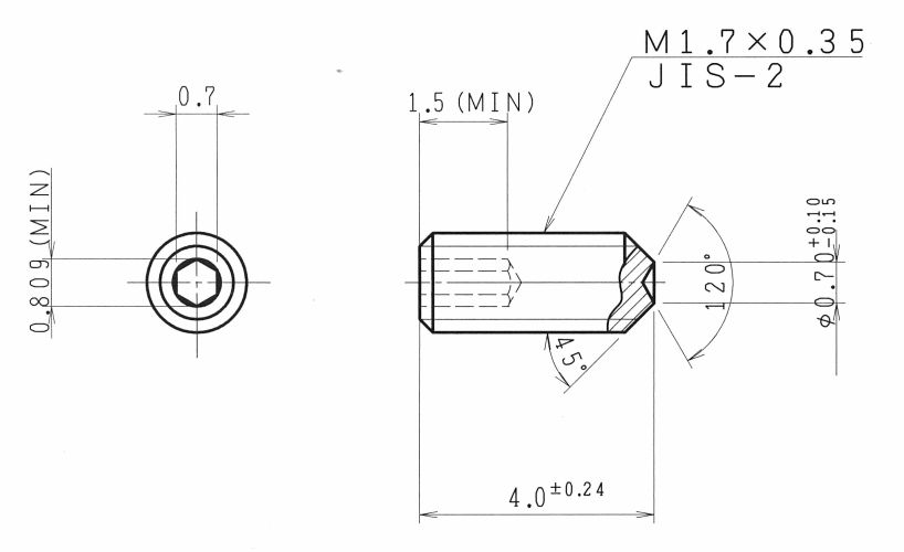
くぼみ先 ホーローセット サイズ一覧表

六角穴付き止めねじ (ホーローセット スクリュー) くぼみ先 ホーローセットスクリュー 硬さ : HRC50~53 材質 : ニッケル・クロム・モリブデン鋼(SNCM240) (Hex Set screw with Cup Point)
| 【見積り】と【受注】の最低数量は 1,000 個です。 さらに 1,000 個単位となります。 例えば、1,000 個、2,000 個、3,000 個、等です。 | |||||||||
|
ねじ呼び径 → ピッチ → |
M1.6 P0.35 |
M1.7 P0.35 |
M2 P0.4 |
M2.5 P0.45 |
M2.6 P0.45 |
M3 P0.5 |
M4 P0.7 |
M5 P0.8 |
|
|---|---|---|---|---|---|---|---|---|---|
|
六角穴 対辺 S → |
0.7 | 0.7 | 0.9 | 1.3 | 1.3 | 1.5 | 2.0 | 2.5 | |
|
全長 公差 ↓ |
★ 表内のサイズ部分をクリックすると、寸法図が表示されます。 (呼び径 M2 、全長 2.5mm 、の止めねじは M2x2.5 と表しています) | ||||||||
| 2.0 ±0.20 | M1.6x2 | M1.7x2 | M2x2 | ||||||
| 2.5 ±0.20 | M1.6x2.5 | M1.7x2.5 | M2x2.5 | M2.5x2.5 | M2.6x2.5 | M3x2.5 | |||
| 3.0 ±0.20 | M1.6x3 | M1.7x3 | M2x3 | M2.5x3 | M2.6x3 | M3x3 | M4x3 | ||
| 4.0 ±0.24 | M1.6x4 | M1.7x4 | M2x4 | M2.5x4 | M2.6x4 | M3x4 | M4x4 | M5x4 | |
| 5.0 ±0.24 | M1.7x5 | M2x5 | M2.5x5 | M2.6x5 | M3x5 | M4x5 | M5x5 | ||
| 6.0 ±0.24 | M2x6 | M2.5x6 | M2.6x6 | M3x6 | M4x6 | M5x6 | |||
| 8.0 ±0.29 | M2x8 | M2.5x8 | M2.6x8 | M3x8 | M4x8 | M5x8 | |||
| 10.0 ±0.29 | M2x10 | M2.5x10 | M2.6x10 | M3x10 | M4x10 | M5x10 | |||
| 12.0 ±0.35 | M3x12 | M4x12 | M5x12 | ||||||

